Send oss ​​en e-post
Nyheter

Bygging og vedlikehold av mini gravemaskiner

Bygging og vedlikehold av mini gravemaskiner


Mini gravemaskin konstruksjonsinnovasjon og intelligent vedlikehold: Små kropp som bærer store prosjekter


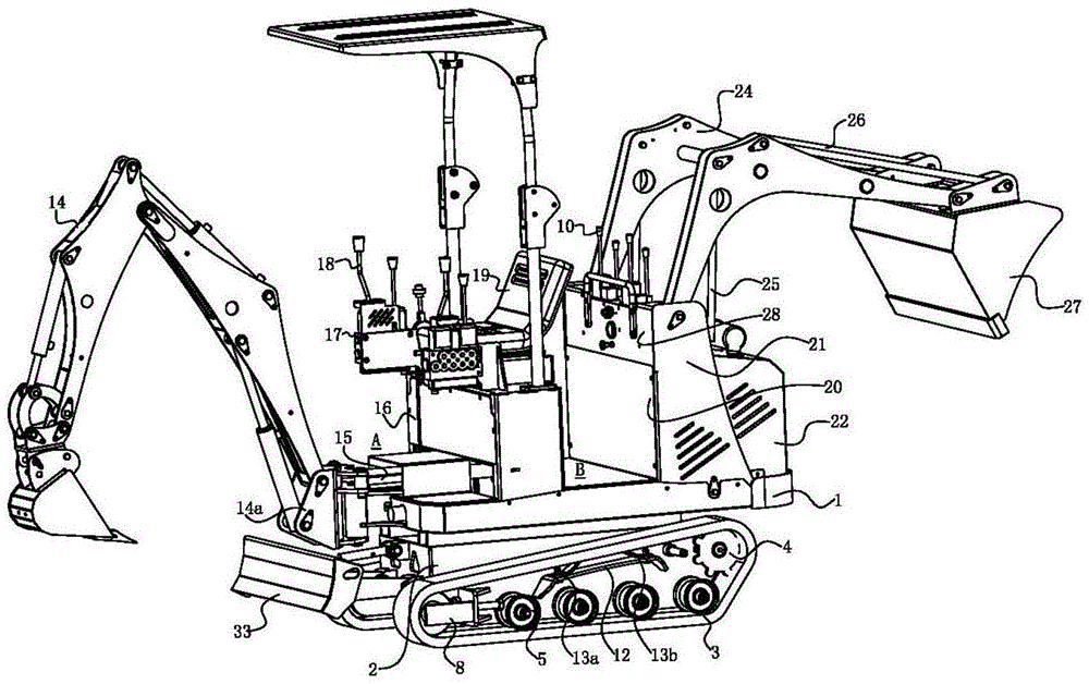
1 、 Analyse av konstruksjonen av mini gravemaskiner: Fire dimensjonal teknologi omformet 'Space Magician'

Chassis og gangsystem:


Tailless dreinedesign: Modeller som Sany Sy18u tar i bruk en "null haleutstikk" -struktur, med en halesvingningsradius på bare 0,86 meter, noe som muliggjør 360 ° fri rotasjon i smale tunneler uten å kollidere med vegger. Samtidig kan vår 0,8 tonn mini gravemaskin også oppnå en svingradius på 1,1 m, noe som gir fri og fleksibel drift i trange rom.


Justerbar sporramme: Spormåleren kan justeres fritt (for eksempel SY16C som støtter 980-1350mm utvidelse og sammentrekning), noe som gjør det enkelt å krysse smale smug på 1 meter. Gummisporets jordingstrykk er så lavt som 25kpa, og beskytter den asfalterte bakken.


Selv smørende lagre: Yanmar -chassiset bruker Iglidur G -serien plastlager i stedet for tradisjonelle kulelager, som er anti -begroing, anti -rust og vedlikeholdsfri, noe som øker levetiden med tre ganger.




Kraft og hydraulisk system:


Dual Mode Power Revolution: Den lille gravemaskinen vedtar Kubota KX019, som støtter diesel/elektrisk ett klikk-svitsjing, en batteripakke på 20 kWh gir 8-timers rekkevidde, og innendørs driftsstøy er så lav som 66 desibel.


Intelligent hydraulisk kontroll: Lastfølsom teknologi (som Shengang SK35SR-6) oppnår strømningsfordelingsnøyaktighet på ± 1,8%, sammensatt handlingsresponshastighet på 0,7 sekunder og reduksjon av energiforbruk på 22%.




Forbedring av arbeidsutstyr:


Slitasje motstandsdyktig struktur: Den artikulerte leddet til den kompakte gravemaskinens boom har gjennomgått forgassende varmebehandling (Hardness HRC55+), og bøtta sveises med Hardox500 slitasjebestandig plate (Hardness HB500), og forlenger levetiden med 30%.


Side bevegelige armpatent: Kubota U-15-3s oppnår venstre avvik på 595 mm/høyre avvik på 350 mm, og veggmontert utgraving krever ikke å flytte kroppen.


Roterende enhet, 360 ° allround drift, fleksibel for å tilpasse seg forskjellige arbeidsmiljøer.


Human Computer Interaction Upgrade


Rull over resistent førerhus: Sertifisert av ROPS/FOP -er (motstandsdyktig mot 16 tonn statisk trykk), utstyrt med flytende seter, LCD -berøringsskjerm og AI -surroundvisningsovervåking, og reduserer blinde flekker med 40%.


2 、 Vedlikehold og daglig vedlikehold:

Den gylne regelen om daglig vedlikehold


Hydraulisk oljestyring: Bruk anti-klær hydraulisk olje nr. 68 om sommeren og lav viskositetsolje nr. 32 om vinteren. Kontroller regelmessig rensligheten til NAS (≤ nivå 8) for å forhindre pumpe og ventilslitasje.


Smørfyllingssyklus: Injiser fett hver 10. dag for rotasjonslageret, og injiser fett med høyt trykk hver 4-8 time for hengende punktet for arbeidsanordningen for å unngå at pinneakselen blir sittende fast.




Key Component Life Extension Technique:


Sporsystem: Juster spenningen for å unngå å være for løs (hoppende tenner) eller for tett (akselererende slitasje); Rengjør grusen regelmessig for å forhindre forseglingssvikt i støttehjulet.


Vedlikehold av "bruk av jerntrekanten":

Spor skoinspeksjon for sprekker/500h

Drivhjulstennene er malt flate og erstattet umiddelbart

Inert hjulforseglingsoljelekkasje må repareres

I følge Stowers CAT -statistikk er 80% av chassisfeilene forårsaket av disse tre typene komponenter.


Retningslinjer for håndtering av ekstreme arbeidsforhold:


Høy høydeoperasjon: Den turboladede motoren til mini -gravemaskinen har en strømkompensasjon på 15%, og det hydrauliske systemet er utstyrt med en trykkkompensasjonsventil for å forhindre strømningstap.

Vannvadedrift: I den italienske flomredningen oppnådde den moderne HX35AZ en vassdybde på 0,8 meter gjennom en forseglet kretsmodul.


Langsiktig lagringsstandarder:


Parker i et tørt rom, støtte sporene for å redusere jordingstrykket;

Fyll drivstofftanken for å forhindre kondens, trekk tilbake alle hydrauliske sylindere for å forhindre aldring av tetningen;

Start en gang hver tredje måned for å forhindre at kretskortet blir fuktig.


3 、 Teknologisk grense: Elektrifisering og intelligent omstilling av industriell økologi

Power Revolution:


Modulært batteri: Hitachi ZX55U-6EB støtter dobbel stasjon av kommersiell kraft og batteri, med 2-timers hurtiglading for å møte 10 timers drift på 6 timer.


Hydrogenenergitest: HD Hyundai har utviklet en hydrogenbrenselmotor (HX12) for å oppnå null karbonkonstruksjon.


Forutsigbart vedlikehold:


IoT fjerndiagnose: Sany Sy35u er utstyrt med HI MATE -system, som analyserer oljetemperatur og vibrasjonsdata i sanntid, med en feilvarselnøyaktighet på 92%.


AR -vedlikeholdshjelp: Kaise Micro gravemaskin gir VR -driftstrening for små gravemaskiner, simulerer 30 feilscenarier og forbedrer vedlikeholdseffektiviteten med 40%.


4 、 Praktisk vitne: Fra eldgamle husrestaurering til gruvedrift

Restaurering av residensen til en Ming og Qing-dynastiestipendiat i Taizhou: Kubota U-15-3s liten gravemaskin fullførte utgravningen av en underjordisk rørsgrøft gjennom en 0,85 meter bue, og den laterale bevegelsesfunksjonen til bommen beskyttet den gamle veggen med en 95% intakt hastighet.


Underjordiske operasjoner ved en chilensk kobbergruve: En kompakt gravemaskin med en modifisert armert førerhus opererte kontinuerlig i 300 timer uten funksjonsfeil, noe som resulterte i en 23% reduksjon i belastningskostnadene.


Tokyo Nighttime Municipal Construction: Den rene elektriske versjonen av Sany Sy19e Mini -gravemaskinen opererer lydløst ved 66 desibel, og løser problemet med byens "Construction Time Window".


Konklusjon: En liten kropp har en stor fremtid

Fra den 0,8 tonns ultra-tynne modellen til den 4-tonns tunge krigeren, gjennomgår små gravemaskiner en trippel utvikling av presisjonskonstruksjon, diversifiserte energikilder og intelligent vedlikehold, omformer det globale konstruksjonsparadigmet. Med det årlige salget som overstiger 3100 enheter i det indiske markedet og en estimert penetrasjonsrate på 40% for elektriske motorer innen 2025, er denne teknologiske revolusjonen av "Bruke små for å bli stor" bestemt til å avdekke en gylden mulighet i billionen dollar -markedet.


Opprettholdelseserfaring fra bransjen:

For kompakte gravemaskiner er presisjonsdesign ryggraden, mens intelligent vedlikehold er livsnerven, og sparer vedlikeholdskostnader med 1 yuan og reduserer reparasjonsutgiftene med 10 yuan.



Relaterte nyheter
Legg igjen en melding
Mobil
Adresse
Changjiang West Road, Huangdao-distriktet, Qingdao City, Shandong-provinsen, Kina
X
Vi bruker informasjonskapsler for å gi deg en bedre nettleseropplevelse, analysere nettstedstrafikk og tilpasse innhold. Ved å bruke denne siden godtar du vår bruk av informasjonskapsler. Personvernerklæring
Avvis Akseptere